L O A D I N G

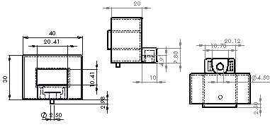
Hall Effect Current Sensor HOCS – 20… 600 – 12/15/24 (DC Current)